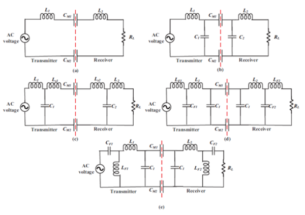
CPT compensation networks
The coupling coefficient for a CPT system tends to be of lower value because of the limited size of the capacitive plates and the low permittivity of air. This will result that the coupling impedance in general is way higher than the load impedance, negatively influencing the efficiency because of the voltage drop over the coupling. To overcome this, compensation networks are used. These networks increase the voltage on the transmitting side and decrease it on the receiving side, improving the total efficiency of the system. Various compensation networks, with its own features and applications, exist. Below figure illustrates the different types of compensation networks for CPT. To calculate the inductor values, below equation is used:
$$ L_i = \frac{1}{\omega_0^2 C_i} \quad [H] $$
The first and most simplistic type is the L compensation. It consists of a single inductor on both transmitter and receiving side. It has a low power transfer efficiency, sensitive to load variations and misalignment but is easy and cheap to implement. This makes it more usable for low to medium powered applications that are closed coupled. The next step is the LC compensation. It uses a combination of both and inductor and a capacitor at both sides, creating a resonance network that increases the efficiency and reduces the system’s sensitivity. It is however more expensive and requires more fine tuning. LC compensations is more suitable for medium to high powered systems.
If current regulation and better system stability is needed, LCL compensation is preferred. This type of compensation adds an extra inductor on both sides. It reduces voltage stress on components and improves efficiency. LCL compensation is suitable for medium to high powered systems, especially in systems with a varying load. If another capacitor is added, a LCLC compensation network is created. This four-element resonant circuit further improves the efficiency, is again sensitive to misalignments and is more tolerable to changing frequencies than LC and LCL systems. The power of systems that uses LCLC compensations is directly proportional with the coupling coefficient. This compensation network is more suitable for high power applications with lower required inductances but more complex and higher costs.
At last, there is the CLLC compensation. This type of compensation network consists of two inductors and two capacitors at both sides. It supports bidirectional power transfer, making it very useful in applications such as battery charging and energy storage. It is the most complex, most costly compensation network and has a sensitivity of misalignment but the required resonance inductances are typically the lowest and it’s high robust against system performance variations.
All previous discussed compensation networks have their own advantages and disadvantages. This is why it’s important to know where to use which one. For instance, compensation networks like L and LC are easier to implement but have limitations in efficiency and power transfer. More advanced designs such as LCL, LCLC, CLLC, and LCCL provide higher performance and stability, making them better suited for high-power applications, but with increased design complexity and costs.
IPT compensation networks
To ensure the system works optimally and at high efficiency, a compensation network is needed. This network ensures the systems operates on a zero-phase angle and at resonant frequency while compensating for the large leakage inductance. Below figure shows the basic compensation networks.
Basic compensation networks involve connecting inductors and capacitors at both transmission and receiver sides. Depending on the compensation network used, it is clear that I1 and I2 do not always match Ip and Is respectively. In each compensation network “series” or “parallel” refers to a capacitor that is connected in series or in parallel to the coil. The first letter refers to the connection used for the primary coil while the second to that used for the secondary coil. For example, parallel-series means that compensation capacitor C1 is connected in parallel to the primary coil and C2 is in series to the secondary coil. There are four types of basic compensations:
• Series-series compensation (S-S) (A): SS is mostly used when a constant current is needed at the receiver. It performs well even when the distance between the coils changes. This makes it ideal for dynamic applications.
• Series-parallel compensation (S-P) (B): SP is mostly used when a constant voltage is needed at the receiver even if the load changes. It is mostly used for battery charging applications.
• Parallel-series compensation (P-S) (C): PS is mostly used when a constant current is required at the receiving side when a voltage source is used at transmitting side. It is most useful where current-source behaviour is important.
• Parallel-parallel compensation (P-P) (D): PP is used when a high voltage gain and high efficiency are needed with a fixed distance between the coils. It is most used in tightly coupled systems.
The table below shows how to calculate the values of the capacitors for the different compensation networks.
